Fenêtre Bois-Aluminium batimet TA35 FV de Batimet
Description
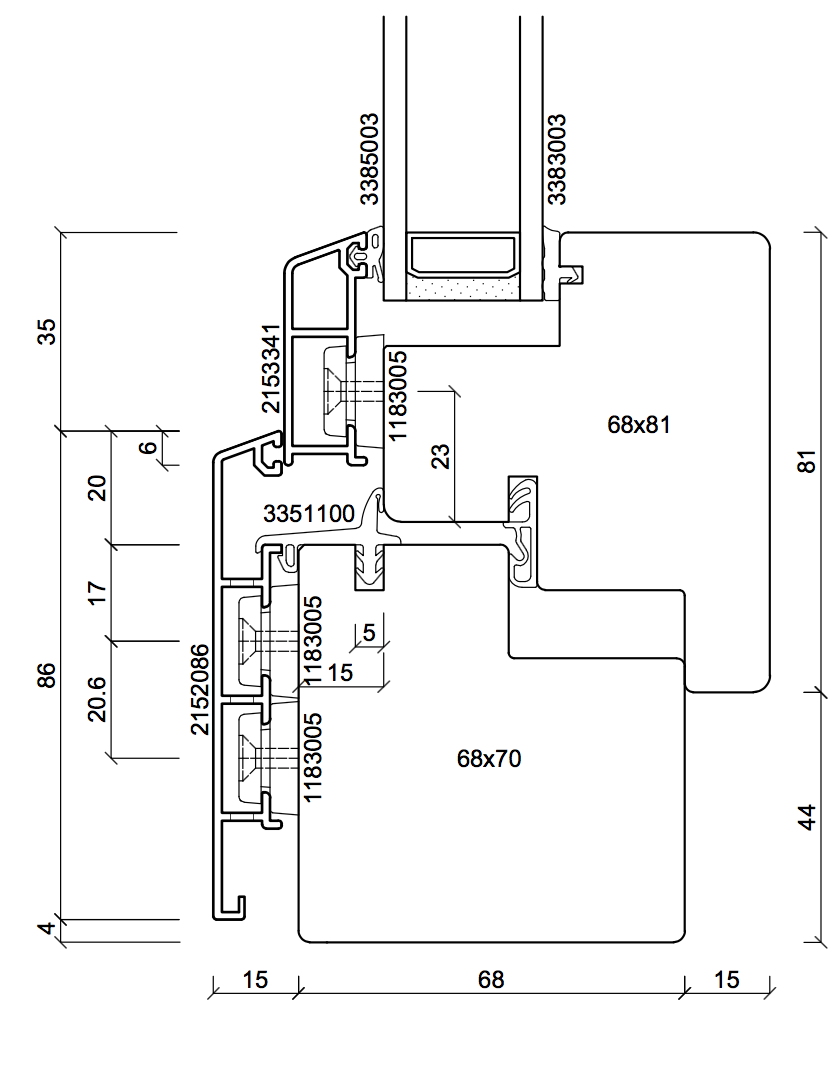
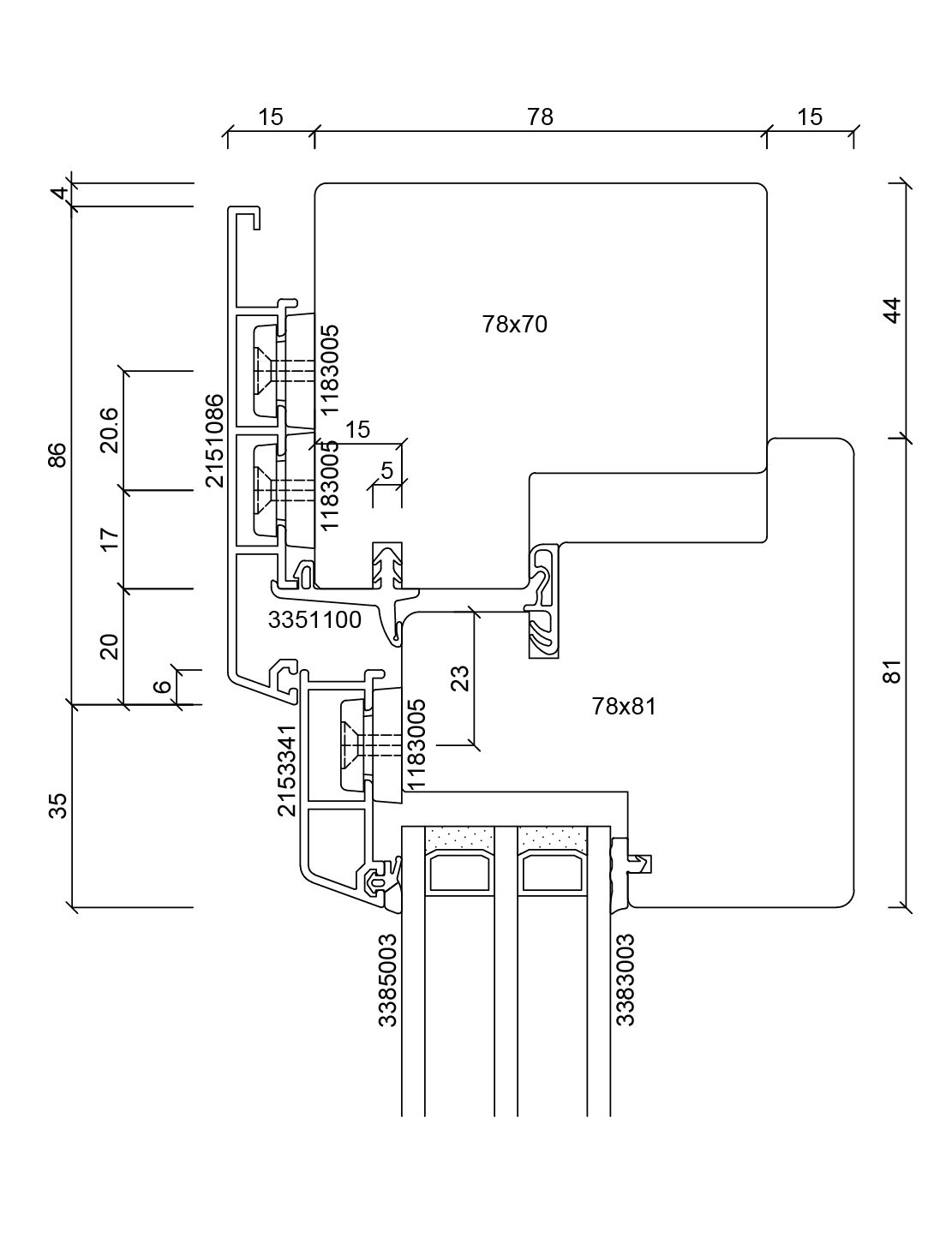
Le dormant et l’ouvrant forment deux niveaux différents. Entre le vitrage et l’ouvrant se trouve une distance de 18 mm. La section apparente de l’ouvrant est de 35 mm et est biaisée. Pour des exigences statiques spécifiques, le profilé de l’ouvrant peut être élargi. L’évacuation de la feuillure est faite par des poinçonnements cachés sous la traverse basse du dormant. En option peut être ajoutée une évacuation visible avec un capuchon de protection.
Les raccords d’angles du cadre aluminium sont soudés sans feuillure visible. Le revêtement est conforme aux normes de qualité des éléments de construction en aluminium de GSB-International (GSB AL 631), ou les normes QUALICOAT.
Epicéa, pin, sapin, mélèze, chêne, hemlock, douglas
RAL, NCS, DB, aluminium anodisé, métallique, résistant aux intempéries, résistant à l’eau salée
batimet est l’un des principaux acteurs européens pour la conception des systèmes de fenêtres et façades en bois/aluminium. Pour nos clients à l’échelle mondiale – architectes, entreprises de construction et entreprises générales – nous développons et produisons sur notre site principal à Dresde des systèmes de fenêtres et de façades bois/aluminium de qualité supérieure. Veuillez contacter nos bureaux locaux pour en savoir plus sur nos produits et services.
Caractéristiques techniques
| Largeur | 1600mm | |
|---|---|---|
| Hauteur | 3000mm |
Autres caractéristiques
| Matière du produit | Bois et dérivés |
|---|---|
| Type de bâtiment | Habitat individuel |
| Contient du biosourcé | Oui |
| Contient du recyclé | Oui |
| Recyclabilité | Oui |
Le produit Fenêtre Bois-Aluminium batimet TA35 FV du fabricant Batimet classé dans la catégorie Menuiseries extérieures > Fenêtres spéciales - autres > Menuiseries Mixtes est référencé dans la Matériauthèque digitale Materiaux.archi.
Le produit Fenêtre Bois-Aluminium batimet TA35 FV de Batimet est composé de : Bois et dérivés .
Le produit Fenêtre Bois-Aluminium batimet TA35 FV de Batimet est prescrit dans des projets de type : Habitat individuel .
Le produit Fenêtre Bois-Aluminium batimet TA35 FV du fabicant Batimet a une largeur de 1600 mm,
Documentations
Aucun document
Fichiers textures
Aucun fichier
Mise en oeuvre
Aucun fichier